.png)
Tại nhiệt độ bình thường, Zirconia là 1 chất cách điện, tuy nhiên khi Zirconia đạt 750 độ C, chúng sẽ trở thành chất dẫn điện với O2 hay nó cho phép phân tử O2 được đi xuyên qua cấu trúc của nó. Chính vì vậy, khi nồng độ O2 giữa 2 bền mặt của Zirconia có sự chênh lệch, chúng sẽ di chuyển từ nơi có nồng độ cao đến nơi có nồng độ thấp. Từ đó tại 2 bề mặt của zirconia sẽ suất hiện dòng điện do dòng dịch chuyển có hướng của O2 gây ra.
Dưới đây là cấu tạo của cảm biến tế bào Zirconia:
Hình 1: Tế bào Zirrconia
Bất cứ một hệ thống phân tích khí zirrconia đền có phần đầu dò (detector) và phàn chuyển đổi tín hiệu (Converter). Ngoài ra còn có thêm hệ thống Van, bình khí nén để phục vụ cho quá trình hiệu chuẩn và lấy khí mẫu.
Có 2 hệ thống phân tích nồng độ khí O2 của hãng Yokogawa:
Hệ thống 1: Hệ thống gồm 1 đầu dỏ ZR22G và 1 Converter ZR802G.
Đặc điểm của hệ thống này là với mỗi 1 đầu dò sẽ có 1 tín hiệu riêng. Đảm bảo độ chính xác và thuận tiện cho việc theo dõi, tính toán điều khiển.
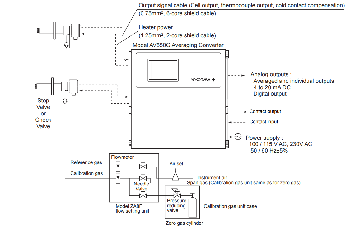
Hệ thống 2: Hệ thống gồm nhiều đầu dò ZR22G, 1 Converter AV550G
Đặc điểm của hê thống này là 1 thiết bị Converter có thể chuyển đổi được 8 tín hiệu từ 8 đầu dò ở 8 vị trí khác nhau. Tín hiệu đưa về sẽ qua bộ Converter, rồi tính toán ra các giá trị trung bình. Tại bộ Converter sẽ gửi 3 tín hiệu 4-20mA về phòng điều khiển trung tâm. Giá trị này thể hiện cho 3 nhóm giá trị trung bình đã được cài đặt.
Hệ thống này áp dụng khi cần phân tíhc nồng độ khí O2 tại nhiều vị trí khác nhau.
Với mỗi hệ thống 1 hay 2 đều có những ưu điểm và nhược điểm riêng, tuỳ thuộc vào ứng dụng của khách hàng vào từng vị trí.
Thông số kỹ thuật
.png)
.png)
.png)
.png)
.png)
0888.755.860